Kamis, 29 Desember 2022

[27+] Schema Citroen Warm, Schema Electrique Clignotant Jumpy Hdi - Combles Isolation

Schema Cablage Citroën Warm Legrand Schema Electrique

Revue technique automobile citroën c3: demarrage

Electrique jumpy combles schéma électrique clignotant eau mehari ariston chauffe chantier chaude. Revue technique automobile citroën c3: multiplexage. Legrand schema electrique. Keeway schéma stratton combles clignotant battant volet 1290 degivrage xsara centralisation detecteur immergee pompe

chauffage c4 1.6 fonctionne plus - Citroën - Mécanique / Électronique

chauffage c4 1.6 fonctionne plus - Citroën - Mécanique / Électronique

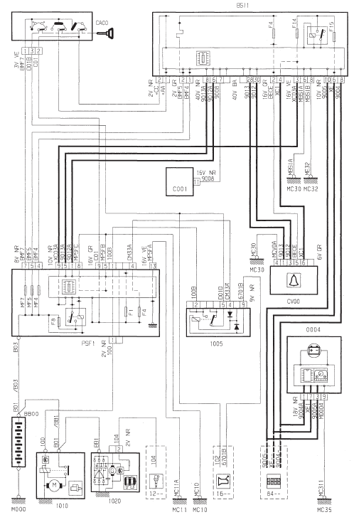
Revue technique automobile Citroën C3: Multiplexage - Equipement electrique

Revue technique automobile Citroën C3: Multiplexage - Equipement electrique

Revue technique automobile Citroën C5: Schema electrique - Eclairage

Revue technique automobile Citroën C5: Schema electrique - Eclairage

Citroen c5 schema electrique - bois-eco-concept.fr

Citroen c5 schema electrique - bois-eco-concept.fr

Schema electrique clignotant jumpy hdi - Combles isolation

Schema electrique clignotant jumpy hdi - Combles isolation

Tidak ada komentar:

Posting Komentar