Get Images Library Photos and Pictures. Our Guide To Dc To Dc Chargers My Generator T Max Dual Battery Install Page 3 Ih8mud Forum Wiring Guides Redarc T Max Dual Battery Charging System In Crowborough East Sussex Gumtree
4x4 evangelist high range 4wd posts. No products in the cart.
. Yamaha T Max Wiring Diagram Yamaha Raptor 660 Wiring Diagram Consists Of Begeboy Wiring Diagram Source Wiring Guides Redarc Dual Battery System Setup Installation Cost Recommended Products
Aylmer Motors Microprocessor Controlled Dual Battery Management System
Aylmer Motors Microprocessor Controlled Dual Battery Management System Linker 2display of charge voltage while charging instruction manual 1display of battery voltage the battery voltage of each battery is visible for 45 sec after pushing the display button.
. 2 3 connect. Does your dmax have a smart alternator. When you use your finger or the actual circuit together with your eyes its easy to mistrace the circuit.
12 volt technical articles 4wd how to articles wiring diagrams how to wire up a dual battery to your isuzu dmax smart alternator. Cart 000 0. 5 posts page 1 of 1.
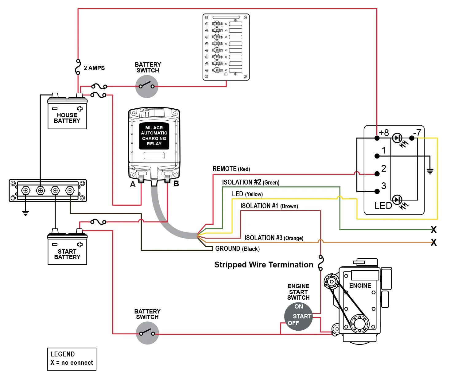
Auxillary battery jump wire main starter battery earth alternator recovery winch in line 2amp fuse dual battery system solar panel solar regulator pos neg solenoid tep view pos neg. Or need advice on repairing or servicing your hilux. If youre heading off road for a 4x4 camping trip then you need auxiliary power.
1 mount the circuit breaker under the bonnet close to the starting battery. Installation of kit connect negative ground wire to the starting batterys negative terminal. T max dual battery system wiring diagram.
Dual battery system wiring diagram bcberhampur org dual battery solenoid isolator wiring diagram diagrams boat boat dual battery wiring diagram how to wire a boat perko dual battery switch wiring diagram with marine for at two battery wiring diagram home camping survival camper van marine battery wiring diagram for dual batteries the boat blue sea dual battery switch wiring diagram complete 4. Posted on october 15 2019 november 4 2019 by jts 12volt. Learn to wire the ultimate dual battery setup.
92 4y dcab 4x4 hilux real name. Dual battery wiring diagram. Post thu oct 04 2012 809 am.
Having problems with your vehicle. Do not connect the positive wire at this stage left until last step. No products in the cart.
A dual battery system two separate batteries working in conjunction with each other but for different purposes will ensure your vehicle has start up power and that your campsite has consistent power. Sat oct 24 2009 916 am town. This is the place to ask for help.
Connect the positive wire coming from the circuit breaker to the terminal on the vsr marked red. Our comprehensive guide will show you how to get the job done in no time. 61 8 8322 4848.
T Max Duel Twin Battery Split Charge Relay Digital Monitoring System 3863349469375 Ebay
Campervan 12v Electrical System Installation And Wiring
Diagram T Max 4500 Winch Wiring Diagram Full Version Hd Quality Wiring Diagram Mjmwiring2 Divetech It
Diagram T Max 4500 Winch Wiring Diagram Full Version Hd Quality Wiring Diagram Mjmwiring2 Divetech It
Diagram Ramsey Re 12000 Winch Wiring Diagram Full Version Hd Quality Wiring Diagram Hydradiagrams Laikatv It
Diagram Split Charge Relay Wiring Diagram Full Version Hd Quality Wiring Diagram Diagramsof Potrosuaemfc Mx
Adding A Dual Battery Setup For Truck Camping Vanlife Or Other Vehicles
Westin 47 3800 Dual Battery System Ebay
T Max Dual Battery Charging System In Crowborough East Sussex Gumtree
Automatic Ups Inverter Wiring Connection Diagram To The Home
T Max Dual Battery Install Page 3 Ih8mud Forum
Diagram T Max 4500 Winch Wiring Diagram Full Version Hd Quality Wiring Diagram Mjmwiring2 Divetech It
Wiring Your Camper Van Electrical System Parked In Paradise
Tmax Dual Battery Controller Output Repair Ih8mud Forum
Ve 8464 Wiring Diagram Additionally T Max Winch Wiring Diagram On T Max Winch Wiring Diagram
Diy Van Electrical Guide Build Your Knowledge Faroutride
Diagram Ramsey Re 12000 Winch Wiring Diagram Full Version Hd Quality Wiring Diagram Hydradiagrams Laikatv It
Design Guide For 12v Systems Dual Battery Systems Solar Panels And Inverters Outbackjoe
Vanlife Essentials Installing A Smart Battery Isolator
Adding A Dual Battery Setup For Truck Camping Vanlife Or Other Vehicles
Tacoma Dual Battery Wiring T Max 15 Engine Diagram Valkyrie Fiat 3600 Decorresine It
T Max Dual Battery Install The Garage Npora Forums
How To Connect Two Batteries In Parallel Caravan Chronicles
Caravan Camper Battery Charging Exploroz Articles
Things To Consider When Looking At A Dual Battery System Lets Getaway Com


Tidak ada komentar:
Posting Komentar